Soumrakový spínač SS-RS1 do rozvaděče
Kód: 068302 T-LED
Široký sortiment
Nabídka kabelů, jističů, zásuvek a dalšího elektromateriálu skladem.

Množstevní slevy
Registrujte se a získejte automaticky slevu 3% na všechny naše produkty.

Individuální kalkulace
V případě zájmu vám na míru naceníme celý projekt.

Platba na fakturu
Platba na fakturu až po dodání zboží.
Detailní popis produktu
Soumrakový spínač (nebo také šero spínač) na 230V zapne nebo vypne automaticky osvětlení podle úrovně intenzity světla, není nutno nastavovat čas sepnutí, pokud chcete zapnout osvětlení za šera či tmy, takže se nemusíte zabývat nastavením času, kdy se začíná stmívat. Úroveň osvětlení sleduje prostřednictvím externího senzoru a spíná výstup podle nastavené úrovně na přístroji. Externí senzor s krytím IP65. Kabel u čidla lze prodloužit například pomocí WAGO svorek..
Používá se pro spínání osvětlení za soumraku a v noci (pouliční a zahradní osvětlení, osvětlení reklam, výloh …)
Specifikace čidla
Vstupní napětí
220-240V
Příkon
1W
Max. proud
20A
Max. zatížení pro LED
350W
Nastavitelná úroveň osvětlení
2-100Lx
Provozní teplota
-20°C až max. 40°C
Krytí spínač
IP20
Krytí čidlo
IP65
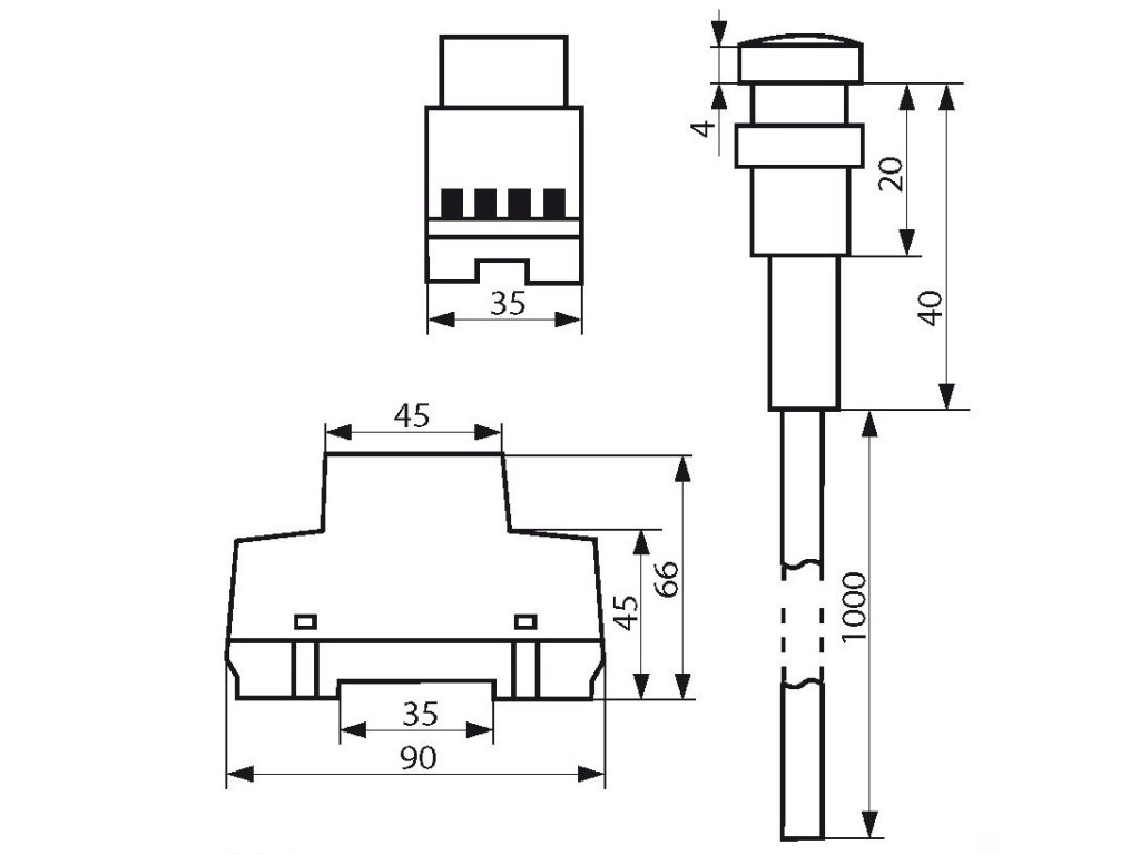
Rozměry
viz. obrázek
Montážní otvor senzoru
10mm
Délka kabelu u čidla
1m
Doplňkové parametry
| Kategorie: | Pohybová čidla - PIR infračervené, mikrovlnné |
|---|---|
| Záruka: | 24 měsíců |
| EAN: | 1100687984675 |
| Záruka B2C: | 24 |
Hodnocení produktu
Buďte první, kdo napíše příspěvek k této položce.
Diskuze
Buďte první, kdo napíše příspěvek k této položce.
